JTW-ZOM-GSTN9812(Ex)防爆點型感溫火災探測器
海灣JTW-ZOM-GSTN9812(Ex)點型感溫火災探測器適用于石油、化工等行業具有防爆要求的1區及2區使用。與GST-LD-N8401(Ex)總線隔離式安全柵配合使用,可接入海灣公司生產的各類火災報警控制器,完成探測器的信號處理。
JTW-ZOM-GSTN9812(Ex)探測器防爆類型為本質安全型,產品符合GB3836.1-2010《爆炸性環境第1部分:設備通用要求》和GB3836.4-2010《爆炸性環境第4部分:由本質安全型“i”保護的設備》的有關規定。
二、海灣JTW-ZOM-GSTN9812(Ex)點型感溫火災探測器產品特點
海灣JTW-ZOM-GSTN9812(Ex)探測器采用無極性二總線信號,地址碼可由編碼器實現寫入,工程調試方便。本探測器結構新穎、外形美觀、性能穩定可靠,特別適用于發生火災時有劇烈溫升的場所,與感煙探測器配合使用更能可靠探測火災,減少損失,且具有良好的抗化學腐蝕性。
三、海灣JTW-ZOM-GSTN9812(Ex)點型感溫火災探測器技術參數
| 型號 | JTW-ZOM-GSTN9812(Ex) |
| 工作電壓 |
信號總線電壓:總線24V 允許范圍:16V~28V |
| 工作電流 |
監視電流≤0.3mA 報警電流≤1.0mA |
| 指示燈 | 紅色,巡檢時閃爍,報警時常亮 |
| 防爆標志 | Ex ib IIC T6 Gb |
| 防爆合格證號 | CE16.2222 |
| 安全柵參數 | U0=28V I0=115mA C0=0.083μF L0=4mH P0=0.8W |
| 設備最大輸入參數 | Ui=28V Ii=115mA Ci=0 Li=0 Pi=0.8W |
| 保護面積 | 當空間高度為6米~12米時,一個探測器的保護面積,對一般保護場所而言為80平方米。空間高度為6米以下時,保護面積為60平方米。具體參數應以《火災自動報警系統設計規范》(GB 50116)為準 。 |
| 線制 | 信號二總線無極性 |
| 編碼方式 | 電子編碼(編碼范圍為1~242) |
| 使用環境 |
溫度:-10℃~+55℃ 相對濕度≤95%,不凝露 |
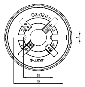
| 外形尺寸 | 直徑:103mm 高;58mm(帶底座) |
| 殼體材料和顏色 | 防爆ABS,瓷白 |
| 重 量 | 約157g |
| 安裝孔距 | 45mm~75mm |
| 執行標準 | GB 4715-2005、GB 3836.1-2010、GB 3836.4-2010 |
四、海灣JTW-ZOM-GSTN9812(Ex)探測器結構特征與工作原理
1.探測器外形示意圖如下圖所示。
探測器外形示意圖
2.工作原理
探測器采用熱敏電阻作為傳感器,利用熱敏電阻對環境溫度敏感的特性來獲取環境溫度信息。內部電路將該信息轉換為電壓信號后傳送到單片機。單片機通過內置的智能算法對信號進行分析處理,同時判斷當前是否處于火警或故障狀態,并向控制器發送當前的狀態信息。
五、JTW-ZOM-GSTN9812(Ex)探測器安裝與接線
警告:安裝及布線應嚴格按照防爆產品相關安裝規范執行。
1.探測器安裝方式如下圖所示。
探測器安裝示意圖
2.接線方式
探測器的防爆底座示意圖如圖所示。底座上有4個導體片,1,3導片上帶接線端子,底座上不設定位卡,便于調整探測器報警確認燈的方向。布線管內的探測器總線分別接在1,3接線端子上(不分極性),另一對導體片用來輔助固定探測器。
待底座安裝牢固后,將探測器底部對正底座順時針旋轉,即可將探測器安裝在底座上。
探測器底座示意圖
3.布線要求
底座接線電纜均選用截面積不小于1.0mm2的本安電纜,且電纜間分布電容不得大于0.083μF,分布電感不得大于4.0mH。
注:為避免接線混亂,應采用不同顏色的線進行區別。
以上內容是智淼君安(江蘇)消防工程技術有限公司所創,剽竊一律刪除。http://www.feimu-hr.com/海灣安全技術有限公司主營:海灣消防報警系統銷售報價,消防工程改造,氣體滅火、電氣火災安裝,售后安裝維修,檢測,調試,海灣消防網址:http://www.feimu-hr.com/;海灣服務熱線:18910580194
推薦文章
- 【圖解】海灣主機故障現象集合及維修處理經驗分享
- 海灣吸氣式感煙探測器使用場景
- 自動滴水閥漏水處理方法|預作用報警閥自動滴水閥故障
- 語音型聲光能代替消防應急廣播?
- 海灣消防電源模塊故障有哪些
- 海灣消防主機一條回路全部報故障是什么情況
- 海灣消防火災報警控制器按手動鍵盤無反應是哪些情況
- 海灣探測器模塊故障如何進行隔離處理?
- 海灣的總線隔離安全柵可以帶多少個防爆設備?最多可以帶多少個防爆聲光?
- 海灣消防防爆消火栓按鈕接線部位不防爆的問題分析與對策









蘇公網安備32058102002150號