LZ10011手動火災報警按鈕防雨罩
文章來源:www.feimu-hr.com作者:海灣消防公司人氣:1664日期:2019-05-04 07:45:20
一、LZ10011手動火災報警按鈕防雨罩產品概述
其它附件系列LZ10011手動火災報警按鈕防雨罩碳鋼材質。可壁掛安裝,也可與LZ1001立柱配套安裝,適用于在室外安裝J-SAM-GST9116手動火災報警按鈕。
表面防腐及顏色:要求各部件外露表面除銹后噴塑處理。
立柱鋼管規格:φ48.3*3.6820#;
防雨罩材質及規格:厚2mm,Q235b
底座孔徑尺寸:孔間距130mm,地腳螺栓規格M20。
LZ10011型防雨罩可采用壁掛式安裝,也可與LZ1001型立柱配套安裝。
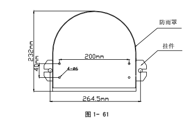
二、LZ10011手動火災報警按鈕防雨罩安裝示意圖
LZ10011型防雨罩壁掛安裝時需配用掛件進行安裝,壁掛安裝示意圖如圖1-61所示。

LZ10011型防雨罩與LZ1001型立柱配套安裝示意圖如圖1-62所示。

LZ1001型立柱外形示意圖如圖1-63所示。

布線要求:
本報警按鈕應用于ⅡB環境中,電纜引入裝置為橡膠密封圈型式。將截面積≥1mm2、外徑為φ8mm-φ10mm的屏蔽阻燃雙絞電纜穿過金屬墊圈和橡膠密封圈,將橡膠密封圈、金屬墊圈連同電纜一同旋進報警按鈕殼體,用扳手將密封圈壓緊對絲旋緊。
本報警按鈕也可應用于ⅡC環境中,但需使用隔爆型電纜密封套(填料函)作為引入裝置,安裝時,必須用填料函將電纜密封套填充,填充材料及填充方式符合防爆相關規定。
以上內容是智淼君安(江蘇)消防工程技術有限公司所創,剽竊一律刪除。http://www.feimu-hr.com/海灣安全技術有限公司主營:海灣消防報警系統銷售報價,消防工程改造,氣體滅火、電氣火災安裝,售后安裝維修,檢測,調試,海灣消防網址:http://www.feimu-hr.com/;海灣服務熱線:18910580194
上一篇:LZ10002手動火災報警按鈕防雨罩 | 下一篇:LZ10001手動火災報警按鈕防雨罩
此文關鍵字:
LZ10011手動火災報警按鈕防雨罩
推薦文章
- 室內消火栓動壓不達標該咋辦?
- 【圖解】海灣主機故障現象集合及維修處理經驗分享
- 海灣吸氣式感煙探測器使用場景
- 自動滴水閥漏水處理方法|預作用報警閥自動滴水閥故障
- 語音型聲光能代替消防應急廣播?
- 海灣消防電源模塊故障有哪些
- 海灣消防主機一條回路全部報故障是什么情況
- 海灣消防火災報警控制器按手動鍵盤無反應是哪些情況
- 海灣探測器模塊故障如何進行隔離處理?
- 海灣的總線隔離安全柵可以帶多少個防爆設備?最多可以帶多少個防爆聲光?






蘇公網安備32058102002150號