海灣G3煙感布線要求
文章來源:www.feimu-hr.com作者:海灣消防公司人氣:1483日期:2019-05-02 12:23:19
JTY-GD-G3T煙感報警器結構特征、安裝與布線
探測器的外形結構示意圖如圖1-1:

JTY-GD-G3T煙感安裝方式如圖1-2:

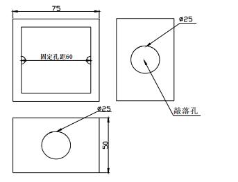
接線盒可采用86H50型標準預埋盒,其結構尺寸外形示意圖如圖1-3:

DZ-02探測器通用底座外形示意圖如圖1-4:

底座上有4個導體片,片上帶接線端子,底座上不設定位卡,便于調整探測器報警指示燈的方向。預埋管內的探測器總線分別接在任意對角的二個接線端子上(不分極性),另一對導體片用來輔助固定探測器。
待底座安裝牢固后,將探測器底部對正底座順時針旋轉,即可將探測器安裝在底座上。
布線要求:探測器二總線宜選用截面積≥1.0mm2的阻燃RVS雙絞線,穿金屬管或阻燃管敷設。
以上內容是智淼君安(江蘇)消防工程技術有限公司所創,剽竊一律刪除。http://www.feimu-hr.com/海灣安全技術有限公司主營:海灣消防報警系統銷售報價,消防工程改造,氣體滅火、電氣火災安裝,售后安裝維修,檢測,調試,海灣消防網址:http://www.feimu-hr.com/;海灣服務熱線:18910580194
上一篇:海灣GST9122A手報按鈕布線要求 | 下一篇:海灣吸頂音箱YXJ3-4A布線要求
此文關鍵字:
海灣G3煙感布線要求
推薦文章
- 海灣消防主機觀察控制器顯示:查看報警、故障及預警指示
- 海灣消防主機熱敏打印機故障解決辦法
- 海灣消防設備短路或接地故障導致控制器損壞之分析與防范
- 海灣消防通訊總線故障怎么解決
- 防火卷簾兩側的專用感溫火災探測器,跨越防火分區是否需設短路隔離器?
- 新規發布:學生宿舍必須安裝火災自動報警系統或具有聯網功能的獨立式火災探測器!
- 氣體探測器如何與防爆風機聯動?
- 關于“海灣消防放氣勿入指示燈故障,不能聯動閃亮”問題的分析與改進建議
- 室內消火栓動壓不達標該咋辦?
- 【圖解】海灣主機故障現象集合及維修處理經驗分享






蘇公網安備32058102002150號