海灣消火栓按鈕J-SAM-GST9124A_應用|安裝接線圖
海灣消火栓按鈕J-SAM-GST9124A_應用|安裝接線圖
一,結構特征、安裝與布線
外形尺寸及結構與J-SAM-GST9123A型消火栓按鈕相同,安裝方法也相同,J-SAM-GST9124消火栓按鈕對外接線端子示意圖如圖2-18。

J-SAM-GST9124A型消火栓按鈕接線端子圖

J-SAM-GST9124A型消火栓按鈕接線端子圖2
其中:
Z1、Z2:接控制器信號總線,無極性
V+、G: 24VDC電源輸入端,有極性;24VDC由泵控制箱提供時不用
COM:DC24V啟泵信號輸出端
I:無源常開觸點回答信號輸入端
COM、NO: 輸出常開觸點信號,額定容量24VDC/100mA
Z1、Z2:接控制器二總線,無極性
D1、D2:接直流24V,無極性
O、G:有源DC24V/100mA輸出
I、G:無源回答輸入
布線要求:信號線Z1、Z2采用阻燃RVS型雙絞線,截面積≥1.0mm2;其它采用BV線或RVS線,截面積≥1.0mm2電源線D1、D2采用阻燃BV線,截面積≥1.5mm2。
二,應用方法
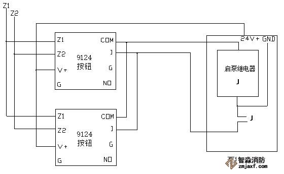
J-SAM-GST9124A消火栓按鈕可以采用總線制方式啟動消防泵(參照第二章1.5節J-SAM-GST9123消火栓按鈕),也可以采用多線制方式直接啟動消防泵,啟泵電源由泵控制箱提供并僅將24V正極線接到按鈕的V+端。此時如果按下按鈕則COM端子輸出DC24V電壓信號,同時總線上報按鈕動作;泵控制箱上的無源動作觸點信號通過I端返饋致按鈕,可以點亮按鈕上的綠色回答指示燈。
應用示意圖如圖2-19。
J-SAM-GST9124A型消火栓按鈕應用示意圖

圖2-19
J-SAM-GST9124A型消火栓按鈕應用示意圖2
這種方式中,消火栓按鈕按下,O、G端輸出DC24V電源,可直接控制消防泵的啟動,泵運行后,泵控制箱上的無源動作觸點信號通過I、G端返回按鈕,可以點亮按鈕上的綠色回答指示燈。
當設備啟動電流大于100mA時,應通過GST-LD-8302切換模塊進行轉換,通過GST-LD-8302轉換直接啟泵方式應用示意圖如圖2-20所示:

J-SAM-GST9124型消火栓按鈕應用示意圖3

海灣安全技術有限公司主營:海灣消防報警系統銷售報價,消防工程改造,氣體滅火、電氣火災安裝,售后安裝維修,檢測,調試,海灣消防網址:http://www.feimu-hr.com/;海灣服務熱線:18910580194
推薦文章
- 海灣消防主機觀察控制器顯示:查看報警、故障及預警指示
- 海灣消防主機熱敏打印機故障解決辦法
- 海灣消防設備短路或接地故障導致控制器損壞之分析與防范
- 海灣消防通訊總線故障怎么解決
- 防火卷簾兩側的專用感溫火災探測器,跨越防火分區是否需設短路隔離器?
- 新規發布:學生宿舍必須安裝火災自動報警系統或具有聯網功能的獨立式火災探測器!
- 氣體探測器如何與防爆風機聯動?
- 關于“海灣消防放氣勿入指示燈故障,不能聯動閃亮”問題的分析與改進建議
- 室內消火栓動壓不達標該咋辦?
- 【圖解】海灣主機故障現象集合及維修處理經驗分享






蘇公網安備32058102002150號