海灣氣體滅火報警主機GST-QKP04/2安裝接線圖
海灣氣體滅火報警主機GST-QKP04/2安裝接線圖
一、結構特征、安裝與布線
海灣氣體滅火控制器的外形示意圖如圖5-7所示。左邊為GST-QKP04,右邊為GST-QKP04/2。
GST-QKP04、GST-QKP04/2海灣氣體滅火控制器外形尺寸圖
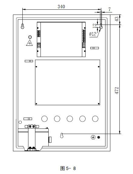
海灣氣體滅火控制器采用壁掛式安裝,安裝尺寸如圖5-8 所示。用3 個M6 的膨脹螺栓將GST-QKP04固定在牢固的墻壁上,膨脹螺栓的水平間距為340mm,高度相距472mm。
GST-QKP04、GST-QKP04/2氣體滅火控制器安裝示意圖
海灣氣體滅火控制器外接端子如圖5-9所示。
GST-QKP04、GST-QKP04/2氣體滅火控制器接線端子示意圖
其中:
1)L、G、PG:交流220V 接線端子。
2)AH1、BL1/AH2、BL2:連接火災報警控制器(聯動型)的通訊總線端子。
3)Z1、Z2:各區的總線輸出端子,連接緊急啟/停按鈕、聲光警報器、氣體釋放警報器、輸出模塊、手自動轉換開關等總線設備。
4)+24V、GND:各區的輔助電源輸出端子,為現場的系統設備如聲光警報器、氣體釋放警報器和輸出模塊供電。
5)DC+、DC-:各區滅火氣體啟動電磁閥的驅動信號輸出端子,平時該端子間輸出電壓小于DC0.7V,啟動時輸出DC24V 電壓且最大2A 的信號。終端匹配電阻為4.7kΩ/0.25W。
6)YK1、YK2:各區氣體釋放反饋信號輸入端,應輸入動合型干觸點信號。其終端匹配電阻為4.7kΩ/0.25W。
布線要求:
1)各區通信總線(Z1,Z2)和電源輸出(+24V,GND)連接線應選用截面積≥1.0mm2 的雙絞線,最長不超過500m,導線電阻應小于5Ω。
2)各區驅動鋼瓶輸出端(DC+,DC-)連接線應選用截面積≥1.5 mm2 RV 線。如果電纜長度大于50m,則選用截面積≥2.5mm2 RV 線。應計算線損壓降、保證電磁閥的最低工作電壓。
3)各區噴灑反饋信號輸入端(YK1,YK2)連接線應選用截面積≥1.0mm2 RV 線。外接通訊連線應選用截面積≥1.0mm2 雙絞線,配置CAN 通訊卡時最大線長不超過3000m。
4)交流電源線應采用耐壓 750V 以上的三芯絕緣線。
5)機殼接地線宜用 4mm2 的銅導線,接地電阻應小于4Ω。
二、應用方法
海灣氣體滅火控制器可通過本地網卡與火災報警控制器(聯動型)聯網,接線示意圖如圖5- 10 所示。
GST-QKP04、GST-QKP04/2氣體滅火控制器聯網示意圖
各區驅動鋼瓶電磁閥有源輸出的布線方式如圖5-11 所示。附加元件應置于線路的末端、接近于鋼瓶電磁閥處。
GST-QKP04、GST-QKP04/2氣體滅火控制器各區驅動鋼瓶電磁閥有源輸出的布線方式如圖
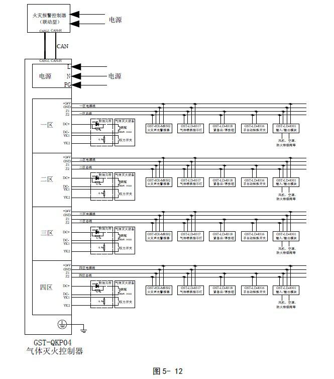
氣體滅火控制器典型接線圖如圖5-12 所示。
GST-QKP04、GST-QKP04/2氣體滅火控制器系統應用圖
具有主備兩個鋼瓶組切換使用的氣體滅火控制器系統接線圖如圖5-13 所示。通過設置1 區和2 區關聯、3 區和4 區關聯可以實現兩鋼瓶組的關聯使用――當啟動主鋼瓶組后沒有檢測到壓力開關的回答信號時氣體滅火控制器會自動啟動備用鋼瓶組。
GST-QKP04、GST-QKP04/2氣體滅火控制器系統應用圖1
海灣安全技術有限公司主營:海灣消防報警系統銷售報價,消防工程改造,氣體滅火、電氣火災安裝,售后安裝維修,檢測,調試,海灣消防網址:http://www.feimu-hr.com/;海灣服務熱線:18910580194
推薦文章
- 海灣消防主機觀察控制器顯示:查看報警、故障及預警指示
- 海灣消防主機熱敏打印機故障解決辦法
- 海灣消防設備短路或接地故障導致控制器損壞之分析與防范
- 海灣消防通訊總線故障怎么解決
- 防火卷簾兩側的專用感溫火災探測器,跨越防火分區是否需設短路隔離器?
- 新規發布:學生宿舍必須安裝火災自動報警系統或具有聯網功能的獨立式火災探測器!
- 氣體探測器如何與防爆風機聯動?
- 關于“海灣消防放氣勿入指示燈故障,不能聯動閃亮”問題的分析與改進建議
- 室內消火栓動壓不達標該咋辦?
- 【圖解】海灣主機故障現象集合及維修處理經驗分享











蘇公網安備32058102002150號